○竹田市文化財管理センター条例施行規則
平成17年4月1日
教育委員会規則第42号
(趣旨)
第1条 この規則は、竹田市文化財管理センター条例(平成17年竹田市条例第113号。以下「条例」という。)の施行に関し必要な事項を定めるものとする。
(教育、普及)
第2条 条例第4条第5号に規定する貸出しは、教育、学術的目的に利用する場合に限り、貸出しをすることができる。
(2) 教育委員会は、資料貸出許可書(様式第2号)を交付し、資料の貸出しを許可するものとする。
(寄附及び寄託)
第3条 竹田市文化財管理センターは、資料の寄附及び寄託を受けることができる。
(2) 寄附及び寄託された資料は、積極的に活用するものとする。
(利用申請、利用許可)
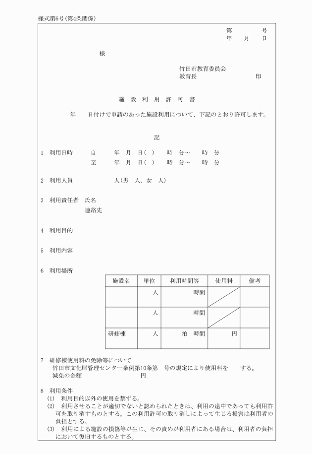
第4条 条例第5条の規定により、管理センターを利用しようとする者は、利用許可申請書(様式第5号)を利用する10日前までに、教育委員会に提出するものとする。ただし、条例第5条第1項ただし書きに該当する場合には、利用許可申請書の提出を省略することができる。
(平24教委規則4・追加)
(使用料の減免等)
第5条 条例第10条の規定により、使用料の減額又は免除を受けようとする者は、その旨を利用許可申請書に明記して、教育委員会に提出し、承認を受けなければならない。
2 教育委員会は、前項の申請があった場合において、使用料を減額し、又は免除することと決定したときは利用許可書により、減免申請者に通知するものとする。
(平24教委規則4・追加)
(使用料の還付)
第6条 条例第11条ただし書きの場合は、既納の使用料を全額還付するものとする。
(平24教委規則4・追加)
(使用料の還付申請)
第7条 使用料の還付を受けようとする者は、研修棟使用料還付申請書(様式第7号)を教育委員会に提出し、承認を受けなければならない。
(平24教委規則4・追加)
附則
(施行期日)
1 この規則は、平成17年4月1日から施行する。
附則(平成24年教委規則第4号)
この規則は、平成24年4月1日から施行する。




(平24教委規則4・追加)

(平24教委規則4・追加)

(平24教委規則4・追加)
